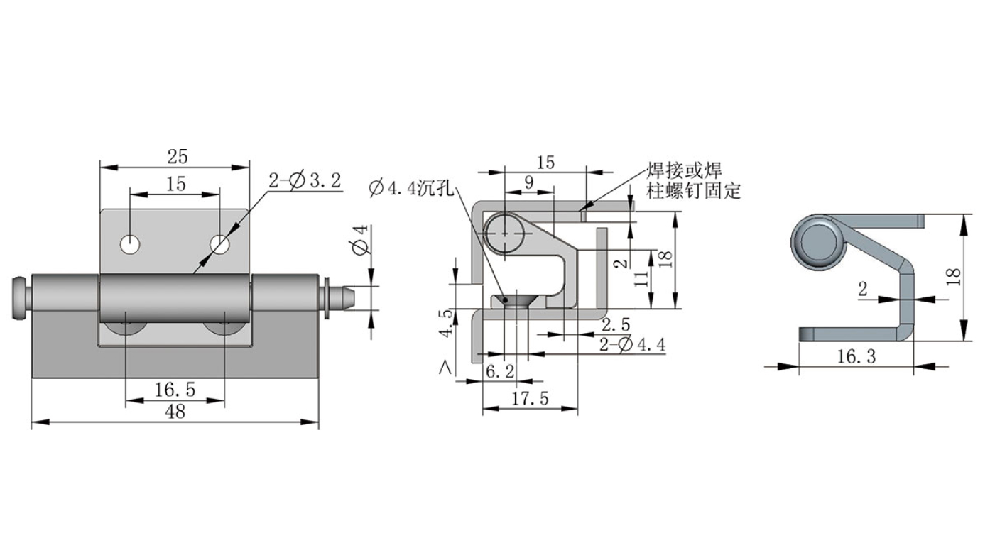
HG016