Products
Locking Systems
Lock Accessories
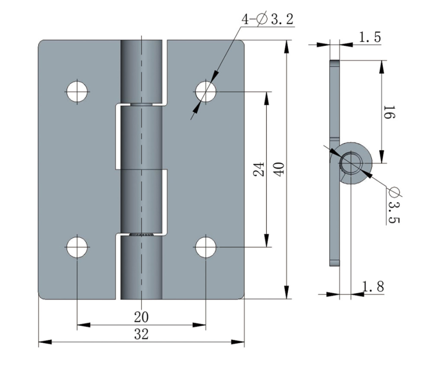
Hinges
Baying Kits
QA System
Company
Contact
Search
Menu
Menu
HG024
HG023
HG025
Scroll to top